Контактирајте нас
- Соба 607-2, зграда 5, Ванда Плаза, бр. 1188, Ионгдинг Роад, Ионгзхонг Стреет, Лонгван, Вензхоу, Зхејианг, Кина
- heyuevalveactuator@gmail.com
- +86-13486831323
Пнеуматски 3-куглични вентил за рачунар
А. Крајеви споја: навој, прирубница, трострука стезаљка и завар.
Б. 3-Дизајн кућишта рачунара, лако одржавање и поправка.
Ц. Поуздано заптивање за спречавање цурења и осигурава глатку и прецизну контролу протока
Opis
Пнеуматски 3-куглични вентил за ПЦ је витална компонента у индустријским системима за контролу протока. Његов троделни дизајн састоји се од тела и две завршне капице, које затварају куглу са централним отвором. Овај иновативни вентил користи компримовани ваздух за покретање лопте, контролишући проток течности или гасова са прецизношћу.
Кључне карактеристике и предности
Поуздано заптивање за операције без цурења:
Са својом робусном конструкцијом и прецизном обрадом, овај пнеуматски куглични вентил нуди изузетне могућности заптивања. Лопта, направљена од издржљивих материјала као што је нерђајући челик, ствара чврсто заптивање на седиштима вентила, спречавајући цурење и осигуравајући интегритет система.
Разноврсне опције повезивања:
Једна од значајних предности пнеуматског 3-ПЦ кугличног вентила је његова свестраност метода повезивања. Било да је са навојем, са прирубницом, са три стеге или заварен, вентил испуњава различите захтеве за инсталацију. Ова флексибилност омогућава беспрекорну интеграцију у различите системе цевовода, штедећи време и труд током инсталације.
Ефикасна контрола протока:
Пнеуматско активирање 3-ПЦ кугличног вентила омогућава прецизну контролу протока. Ротирајући куглицу унутар вентила, оператери могу регулисати пролаз течности или гасова, постижући жељене брзине протока и услове система. Овај ниво контроле побољшава укупну ефикасност система, смањујући потрошњу енергије и оптимизујући процесе.
Издржљива конструкција за дуговечност:
Направљен да издржи захтевна индустријска окружења, наш кугласти вентил се може похвалити великом издржљивошћу. Његови чврсти материјали и премази отпорни на корозију обезбеђују дуговечност, чак и када су изложени јаким хемикалијама или екстремним температурама. Ова издржљивост минимизира захтеве одржавања и продужава радни век вентила.
Апликације
Нафта и гас: Ови вентили су идеални за контролу протока нафте и гаса у цевоводима и објектима за прераду.
Хемијска обрада: Отпорност вентила на корозивне супстанце чини га погодним за постројења за хемијску прераду.
Третман воде: Његова поуздана својства заптивке чине га погодним за постројења за пречишћавање воде и дистрибутивне мреже.
ХВАЦ системи: пнеуматски 3-куглични вентили за ПЦ играју кључну улогу у регулисању протока течности у системима грејања, вентилације и климатизације.

|
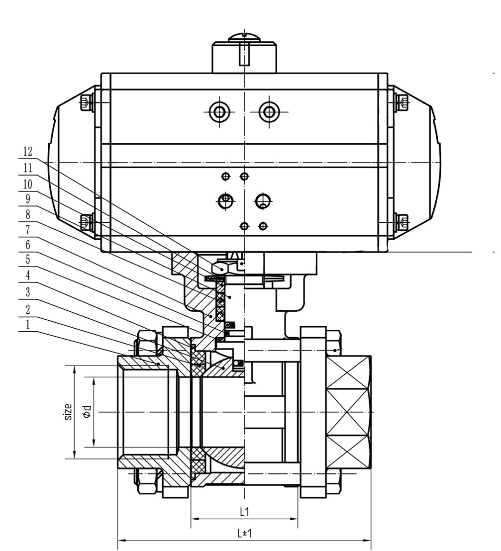
Не. |
Део имена |
Материјал |
|
1 |
Завртањ |
Б8М-ЦЛ2 |
|
2 |
Нут |
8M |
|
3 |
Крајњи конектор |
ЦФ8/ЦФ8М |
|
4 |
Тело |
ЦФ8/ЦФ8М |
|
5 |
Лопта |
304 |
|
6 |
Заптивни прстен |
ПТФЕ/РПТФЕ/ППЛ |
|
7 |
Заптивка |
ПТФЕ |
|
8 |
Стабљика |
304 |
|
9 |
Стем Пацкинг |
ПТФЕ/РПТФЕ/ППЛ |
|
10 |
Гланд |
ЦФ8 |
|
11 |
Завртањ |
B8M |
|
12 |
Нут |
8M |

|
ДН |
Величина |
d |
L |
ΦK |
□ P |
H |
H1 |
|
15 |
1/2" |
15 |
67 |
50 |
9 |
50 |
10 |
|
20 |
3/4" |
20 |
78 |
50 |
9 |
55 |
10 |
|
25 |
1" |
25 |
87 |
50 |
11 |
55 |
12 |
|
32 |
1 1/4" |
32 |
100 |
50 |
11 |
67 |
12 |
|
40 |
1 1/2" |
38 |
110 |
70 |
14 |
78 |
15 |
|
50 |
2" |
49 |
130 |
70 |
14 |
83 |
15 |
|
65 |
2 1/2" |
65 |
167 |
102 |
17 |
115 |
18 |
|
80 |
2 1/2" |
78 |
200 |
102 |
17 |
130 |
18 |
|
100 |
4" |
100 |
240 |
102 |
19 |
150 |
20 |
Popularne oznake: пнеуматски 3-комп. кугласти вентил, Кина пнеуматски 3-пц куглични вентил произвођачи, добављачи, фабрика
Можда ти се такође свиђа















